ОПИСАНИЕ
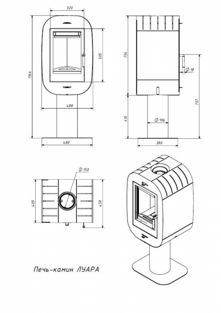
Компактная дизайнерская печь. Может устанавливаться свободно в помещении без примыкания к стене. Оригинальный дизайн делает печь доминантой в небольшом клубном помещении - бильярдная, бар, музыкальная комната. Подходит для обогрева небольшого помещения площадью 30-60 м2. Дверка высотой 310 мм. Размер поленьев 30-32 см вертикально. Подсоединение к дымоходу сверху. Система очистки «чистое стекло».

